| Customization: | Available |
|---|---|
| After-sales Service: | 24 Hours Online Service |
| Warranty: | 12 Month |
The D-type horizontal multistage centrifugal pump is a single-suction multistage segmental centrifugal pump with an advanced and reasonable structure. It features high pump efficiency, excellent cavitation resistance, low vibration, and stable, reliable operation. This series is designed for long service life, energy saving, and high cost-performance.



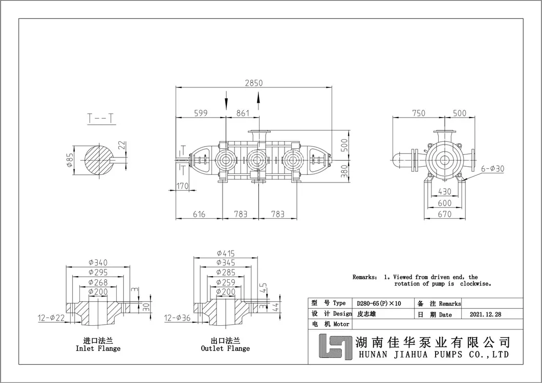
| Model | Capacity (m3/h) | Head (m) | Speed (r/min) | Power (Kw) | Weight (KG) |
|---|---|---|---|---|---|
| D280-43-3 | 280 | 129 | 1480 | 160 | 1210 |
| D280-43-6 | 280 | 258 | 1480 | 315 | 1570 |
| D280-43-10 | 280 | 430 | 1480 | 500 | 2050 |
With many years of experience in mining, power generation, irrigation, and slurry transportation, our production facility is equipped with advanced testing equipment and scientific management methods. We provide high-efficiency multistage pumps, boiler feed pumps, and chemical pumps to over 90 countries.
Widely used in mining, mineral processing, metallurgy, iron and steel, boiler water supply, oil fields, chemical industry, and urban water supply.
Anj